MOTORSPORTTEILE / NUR FÜR DIE RENNSTRECKE
Garrett Turbolader GTX3584RS
1
/
von
2
Sportlich ausgelegter Turbolader, Garrett GTX3584RS.
Über Garrett® GTX Serien-Turbolader
Garrett® GTX Series Turbolader sind speziell für den anspruchsvollen Enthusiasten entwickelt, der optimale Leistung wünscht. Die geschmiedeten, vollständig bearbeiteten Kompressorräder aus Aluminium verfügen über Aerodynamik der nächsten Generation, die einen größeren Leistungsbereich bieten und die Boost-Ansprechzeit maximieren.
Portierte Gehäuse für den Verdichter erhöhen die Ansprechresistenz und sorgen für zuverlässige, kontinuierliche Leistung über das gesamte Drehzahlband. Eine doppelte Keramik-Kugellager-Kartusche verlängert die Lebensdauer und verbessert die Wellenbalance. Das wassergekühlte CHRA hält die Gehäusetemperaturen auf einem Minimum. Das Turbinenrad besteht aus Inconel, einer Superlegierung, die ihre Festigkeit auch bei längerer Einwirkung hoher Abgastemperaturen beibehält.
Turbinen-Kits werden in offener Volute und Twin-Scroll sowie in verschiedenen A/R- und Flanschkonfigurationen angeboten. GTX Series Turbolader werden von den besten Motorsportteams der Gegenwart verwendet und sind bereit, Dich aufs Podium oder wohin auch immer Deine Reise geht, zu bringen.
Anwendung :
- Leistung: 550 - 1000HP
- Hubraum: 2.0L - 5.5L
Eigenschaften:
GEN 2 AERODYNAMIK MIT ERHÖHTER LEISTUNGSBANDBREITE
"RS" ENTWORFENES TURBINENRAD FÜR HOHE PS-LEISTUNG
KOMPAKTES DESIGN FÜR ENGE EINBAUVERHÄLTNISSE
NEUER VOLLSTÄNDIG BEARBEITETER DREHZAHLFÜHLER-ANSCHLUSS.
WIRD ALS MONTAGESETS VERKAUFT (SUPER CORE + TURBINEN-KIT)
COMP AUSGANG ERHÄLTLICH MIT V-BAND & SCHLAUCHANSCHLUSS
Tabelle:
| Kompressor | Turbine | |||||||
|---|---|---|---|---|---|---|---|---|
| Super Core Referenzdaten | Antrieb | Exducer | Zierleiste | A/R | Antrieb | Exducer | Zierleiste | |
| GTX3584RS Schlauchperle Kompressionsausgang | 67mm | 84mm | 64 | 0.72 | 68mm | 62mm | 84 | |
| GTX3584RS V-Band Kompressionsausgang | 67mm | 84mm | 64 | 0.72 | 68mm | 62mm | 84 | |
| Hinweise: | Montagesatz PN | Super Core PN | Turbinen-Kit PN | A/R | Einlass | Outlet | Wastegate | Geteilt |
| Schlauchanschluss Comp Outlet | 856804-5001S | 846098-5001S | 740902-0067 | 0.83 | V-Band | V-Band | Freilauf | N |
| 856804-5002S | 846098-5001S | 740902-0066 | 1.01 | V-Band | V-Band | Freilauf | N | |
| 856804-5003S | 846098-5001S | 740902-0052 | 1.21 | V-Band | V-Band | Freilauf | N | |
| V-Band Kompressionsausgang | 856804-5004S | 846098-5002S | 740902-0067 | 0.83 | V-Band | V-Band | Freilauf | N |
| 856804-5005S | 846098-5002S | 740902-0066 | 1.01 | V-Band | V-Band | Freilauf | N | |
| 856804-5006S | 846098-5002S | 740902-0052 | 1.21 | V-Band | V-Band | Freilauf | N | |
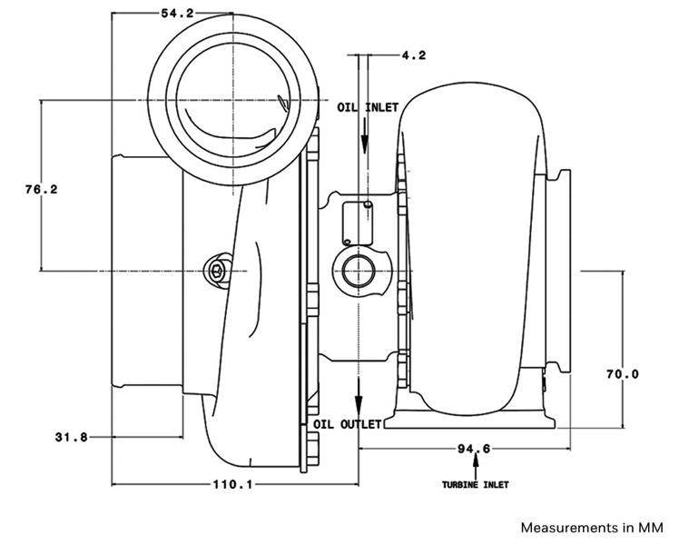
Abmessung:

Diagramm:


Normaler Preis
€2.195,49
Verkaufspreis
€2.195,49
Normaler Preis
Stückpreis
/
pro
inkl. MwSt.
📦
Wichtige Versandnotiz
Bitte beachte: Dies ist ein

Garrett Turbolader GTX3584RS
€2.195,49
Großbestellung
Verkauft sich schnell!
Sichere Dir Deins, solange Du kannst.
-
SICHERER EINKAUF
-
SCHNELLE LIEFERUNG
-
GROSSES ANGEBOT
-
MIT HERZ BETRIEBEN
